Product Summary
The SG-8002CA is a programmable crystal oscillator.
Parametrics
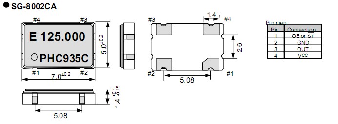
SG-8002CA absolute maximum ratings: (1)Output frequency range: 1 MHz to 125 MHz; (2)Supply voltage: 4.5 V to 5.5 V; (3)Stoarge temperature: -55 to +125 ℃; (4)Operating temperature: -20 to +70 ℃ (-40 to +85 ℃); (5)Current consumption: 45 mA Max.; (6)Disable current: 30 mA Max.; (7)Stand-by current: 50 μA Max.
Features
SG-8002CA features: (1)Frequency range: 1 MHz to 125 MHz; (2)Supply voltage: 3.3 V or 5.0 V; (3)Function: Output enable(OE) or Standby( ST ); (4)Thickness: 1.5 mm Max.; (5)Short mass production lead time by PLL technology; (6)SG-Writer available to purchase.
Diagrams

![]() |
![]() SG-8002CA |
![]() Other |
![]() |
![]() Data Sheet |
![]() Negotiable |
|
||||||||||||||||||||||
![]() |
![]() SG-8002CA 4.0000M-PCML0 |
![]() |
![]() OSCILLATOR CMOS PROG 3.3V OE SMD |
![]() Data Sheet |
![]()
|
|
||||||||||||||||||||||
![]() |
![]() SG-8002CA-MPT |
![]() Epson Toyocom Corporation (VA) |
![]() OSCILLATOR CMOS PROG 5V OE SMD |
![]() Data Sheet |
![]()
|
|
||||||||||||||||||||||
![]() |
![]() SG-8002CA-PCB |
![]() |
![]() OSCILLATOR CMOS PROG 3.3V OE SMD |
![]() Data Sheet |
![]()
|
|
||||||||||||||||||||||
![]() |
![]() SG-8002CA-PCC |
![]() |
![]() OSCILLATOR CMOS PROG 3.3V OE SMD |
![]() Data Sheet |
![]()
|
|
||||||||||||||||||||||
![]() |
![]() SG-8002CA-PCM |
![]() |
![]() OSCILLATOR CMOS PROG 3.3V OE SMD |
![]() Data Sheet |
![]()
|
|
||||||||||||||||||||||
(China (Mainland))










